山东卓信电气有限公司生产两级跑偏开关、防偏开关、防爆两级跑偏开关、不锈钢跑偏开关、防爆拉绳开关,皮带打滑开关等输送保护装置,卓信公司秉承“以诚信求生存、以创新求发展、以市场为向导、以技术创新为主体、以管理促效益、以质量赢市场,以服务赢口碑"的企业理念,携手与广大新老客户共赢美好明天。把客户的愿望变成现实。 大家有任何关于公司和产品的问题需要咨询,欢迎随时我。
【详细说明】
山东卓信电气有限公司生产两级跑偏开关、防偏开关、防爆两级跑偏开关、不锈钢跑偏开关、防爆拉绳开关,皮带打滑开关等输送保护装置,卓信公司秉承&lquo;以诚信求生存、以创新求发展、以市场为向导、以技术创新为主体、以管理促效益、以质量赢市场,以服务赢口碑&rquo;的企业理念,携手与广大新老客户共赢美好明天。把客户的愿望变成现实。 大家有任何关于公司和产品的问题需要咨询,欢迎随时我。SBNLS-1230J防爆两级跑偏开关是一款安装在胶带,皮带输送带上保护开关,当胶带,皮带输送机发生异常运行进,通过本开关可以给以给皮带,胶带输送发出停机型号以防止事故的进一步扩在,本开关因安装方便,响应快,使用寿命长,等优点,安装说明 1、两级跑偏开关底座两边各有Ф12mm孔,在皮带机旁角铁架钻Ф12mm孔,用M10×30mm螺丝紧固跑偏开关。 2、安装跑偏开关应选择输送装置易出现跑偏的位置处安装,参考应用单位工艺要求,同时要考虑皮带与挡轮的有效间距和推力,建议皮带与档轮间的安装距离为120-160mm。 3、安装距离:建议每50米安装一对跑偏开关。 4、跑偏开关出厂时配有长度0.5米四芯橡套电缆,芯线上配有1、2、3、4线号,其中1、2为常开接点是一级报警信号,3、4为常闭接点是二级停机信号。,现已在各业各业都有应用到,常见应用领域电力,矿用,码头,钢厂等。

工作原理
两级跑偏开关安装在皮带输送机两侧、距离皮带机尾端部1~3m的地方。当皮带跑偏时,皮带边缘压向档轮,迫使档轮偏转,使限位开关动作。为减少档轮与皮带的摩擦,档轮的本体是由轴承制作的。
当发生轻微跑偏事故时(12⪚),两级跑偏开关的*组触点动作,发出事故预告信号。
当发生严重跑偏事故时(30⪚),两级跑偏开关的第二组触点动作,DDP-LJ2两级跑偏开关适用于皮带输送机,能使皮带输送机在皮带跑偏将导致严重挂边磨损甚至发生撕裂事故前就发出报警信号以及进一步的自动停车。 能及时有效的保护设备安全、避免事故扩大化,达到保障生产、保护设备的目的。另外由于信号可发送至控制系统,方便实现工厂自动化控制,因此又可达到减员增效,集中控制,利于生产与调度的目的。,可使输送机自动停车。
特点
&miot;结构简单实用、性能稳定可靠
&miot;防尘、防震、防潮
&miot;体积小、重量轻、寿命长
&miot;安装方便,免维护
&miot;输出信号既可与现场设备联锁使用,也可送达微机控制系统
&miot;电源适应性广:24~380V
安装说明
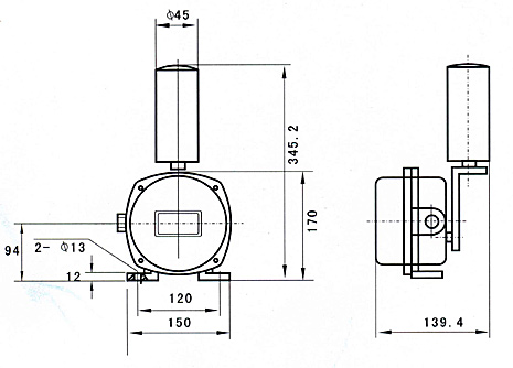
1、两级跑偏开关底座两边各有Ф12mm孔,在皮带机旁角铁架钻Ф12mm孔,用M10×30mm螺丝紧固跑偏开关。
2、安装跑偏开关应选择输送装置易出现跑偏的位置处安装,参考应用单位工艺要求,同时要考虑皮带与挡轮的间距和推力,建议皮带与档轮间的安装距离为120-160mm。
3、安装距离:建议每50米安装一对跑偏开关。



4、跑偏开关出厂时配有长度0.5米四芯橡套电缆,芯线上配有1、2、3、4线号,两级跑偏开关适用范围 两级跑偏开关用于常规皮带输送机:地下、索道支撑皮带输送机:轮船装卸系统;堆垛/取料输送机;倾斜和梭式输送机;起重机、挖掘机,起重臂限位:裙边给料机/输送机:重型极限开关检测胶带的跑偏量,是实现胶带机控制的自动报警和停机的保护装置。两级跑偏开关广泛用于冶金、煤炭、水泥建材、采矿、电力、港埠、冶金、化工等领域的各种带式输送设备。,其中1、2为常开接点是警示信号,3、4为常闭接点是二级停机信号。
磁力防水跑偏开关NST1-12-30
磁力防水跑偏开关NST1-10-45
磁力防水跑偏开关NST1-20-35
KGE1-1AP-SK矿用浇封型磁感应开关
Copyright © 山东卓信机械有限公司 版权所有 鲁ICP备12019670号
全国服务电话:0537-2839666 传真:0537-2228358 百度地图 打滑开关
公司地址:山东省济宁高新经济技术开发区 音叉开关